GM Service Manual Online
For 1990-2009 cars
Makes
🢒
Chevrolet
🢒
2004
🢒
Tahoe - 4WD
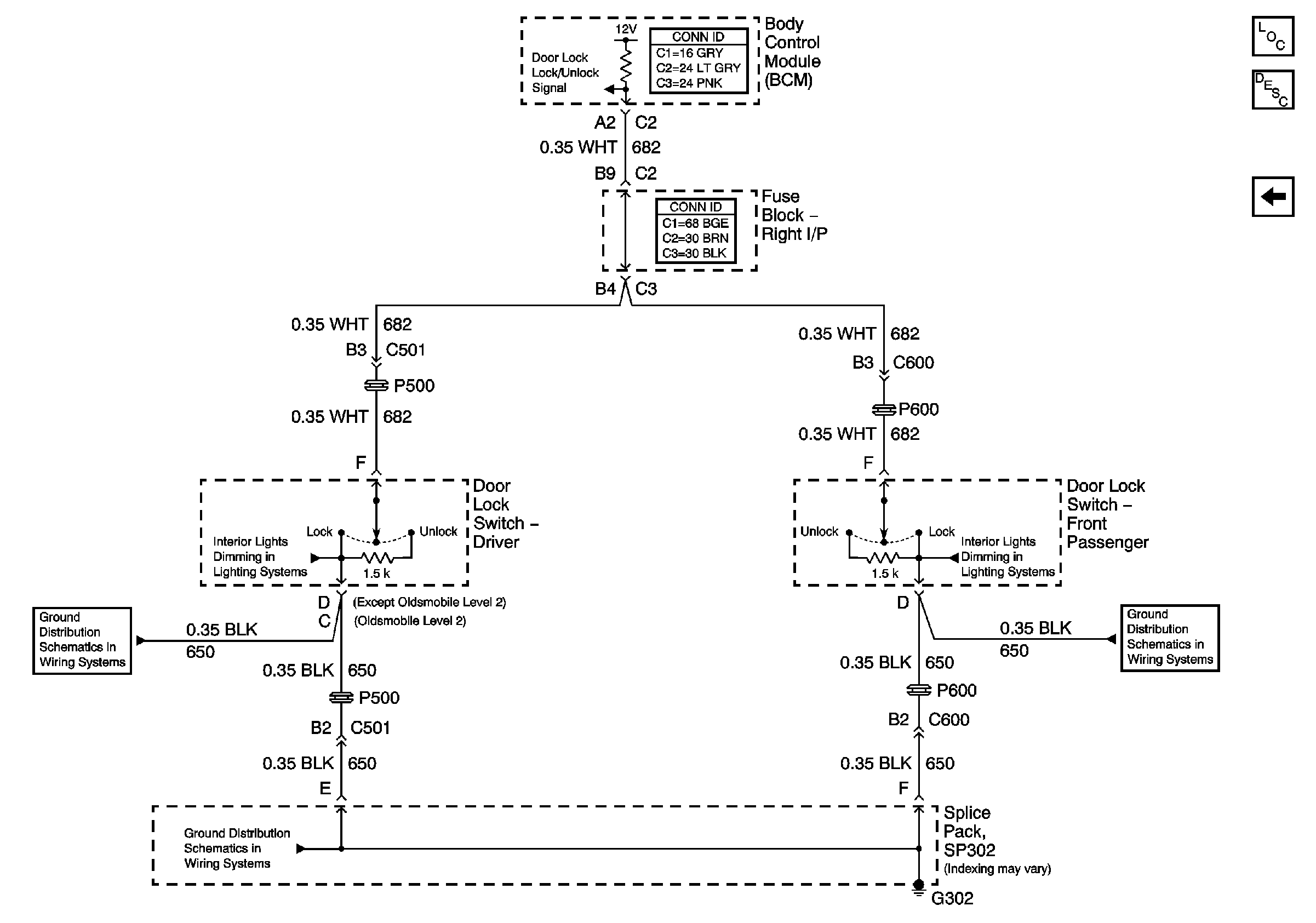
🢒 Door Lock Switches
Door Lock Switches
Door Lock Switches
Master Electrical Component List
Power Door Locks Description and Operation
Door Lock Motors
G302
Door Switches - Pontiac
Door Switches - Pontiac
G302
G302